Первая в мире видеоигра

09.03.2026 09:30  2818   Комментарии (38)

А вы знаете, что первую в мире видеоигру придумал физик, один из создателей атомной бомбы - Уильям Хигинботам?

Во время Второй мировой войны Уильям работал в Лос-Аламосской лаборатории над проектом "Манхэттен", возглавляя разработку электроники для первой атомной бомбы, включая механизмы воспламенения и измерительные приборы.

В 1947–1961 годах руководил отделом приборостроения в Брукхейвской национальной лаборатории.

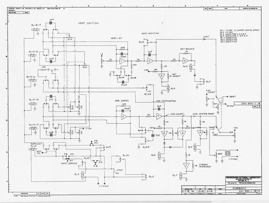
В 1958 году на дне открытых дверей лаборатории Уильям увидел скучающих посетителей и подумал, что хорошо изобрести такую штуку, которой можно было бы занять людей. И тогда он придумал игру Tennis for Two - симуляцию простенького тенниса, в которую можно было бы играть на экране осциллографа с помощью контроллеров. 

В том же году Брукхейвская лаборатория участвовала в ежегодной выставке, и для этой выставки Хигинботам с коллегой Робертом Дэйвом Поттером за несколько недель сделал эту игру.

Оформлять патент Уильям не стал - он был госслужащим, так что патент всё равно перешел бы властям, - и в этой игре он не видел коммерческого потенциала. В 70-х на основе идеи игры Хагинботама создали культовую игру Pong.

 

09.03.2026 09:30
Комментарии 38

ЛЭТИ, 1987, играли. Как молоды мы были!..
10.03.26 11:47
0 0

Помню советские игровые автоматы с игрой То ли "Теннис", то ли "Пинг-понг", только там действие происходило в горизонтальной плоскости на экране телевизора. А позже такие игровые приставки стали продаваться.
10.03.26 11:43
0 0

Тёплый ламповый пинг-понг...
09.03.26 15:51
0 1

Офигеть. Осциллограф, 58-й год, даже приблизительно не могу схему представить.
09.03.26 14:20
0 1

Офигеть
eltesta.com
09.03.26 15:14
0 0

При чем здесь это? Я про схему игрушки. Как устроен сам осциллограф, я понимаю, там ничего особо сложного нет.
09.03.26 16:41
0 0

приблизительно не могу схему представить
Ну, приблизительно-то представить можно. Всё аналоговое. Известно что конденсатор вычисляет интеграл. Для примера, если подать постоянное на него напряжение (прямая линия), то на конденсаторе оно будет линейно расти по мере того как он заряжается. Катушка индуктивности наоборот вычисляет производную. Имея эти базовые кирпичики можно творить чудеса. Это всё использовалось в то время.
09.03.26 16:58
0 5

даже приблизительно не могу схему представить.
10.03.26 11:18
0 0

Я долго ждал этой минуты. Прочитав "Известно, что конденсатор вычисляет интеграл" я понял, что время пришло; я могу наконец сжечь диплом о моём первом, радиотехническом, образовании. Ибо понял, что ни хрена не понял.
Буду и дальше юристом. Пусть они, не я, ни хрена не понимают.
Спасибо вам!
10.03.26 12:09
0 0

"Папа, а ты сейчас с кем разговаривал?"
10.03.26 12:10
0 0

Аналоговый компьютер - но в наш цифровой век этому уже давно не учат
10.03.26 19:13
0 0

Помню Хигинботама. Они вместе с Джанет Соубридж выступали...
09.03.26 13:28
0 0

на СМ-1410 (PDP/11) можно было в Понг играть на адресной консоли: т.е. там есть консоль, где можно было вводить даннные по определенному адресу в RAM. Но клавиши и диоды этой консоли были также I/O-Device
09.03.26 11:09
0 2

на СМ-1410 (PDP/11) можно было в Понг играть на адресной консоли: т.е. там есть консоль, где можно было вводить даннные по определенному адресу в RAM. Но клавиши и диоды этой консоли были также I/O-Device
Можно наверное, но зачем? У СМ-3/СМ-4 были алфавитно-цифровые терминалы, которые прекрасно можно было использовать для псевдографики. Году в 83м я и сам написал три игрушки для них, но это, конечно, совершенно никакой не прорыв. Игрушек такого рода было достаточно на лентах DECUS, в том числе многопользовательских. В MultiTrek мы воевали аж втроем.
10.03.26 14:57
0 0

Брукхейвской
имеется в виду Brookhaven National Labs? Tогда "брукхавенской", наверное.

www.bnl.gov

>>>В 1958 году на дне открытых дверей лаборатории

?

Патенты переходят властям, но лицензионные все равно доплачивают.
09.03.26 10:55
0 0

на дне
"И корни извлекаете
По десять раз на дню"
09.03.26 10:57
0 1

М. Горький. "На дне открытых дверей".
09.03.26 10:59
0 7

Или вот это пугающее "На дне рождения".
09.03.26 11:12
0 2

Это еще ничего! По-настоящему страшна уверенность в завтрашнем дне.
09.03.26 13:52
0 2

Когда собаке нечего делать...
09.03.26 10:03
23 0

6 минусов поставили! А ведь, на самом деле, Уильям Хигинботам, создал эту игрушку в рабочее время и на рабочем оборудовании. Значит, в это время у него был незанятым мозговой и временной ресурс. Т.е, собаке явно было нечего делать (это я с ноткой юмора и одобрения). Вы, конечно, не поверите, но вы, русские, природно злобные изнутри. Или тупые. А ,скорее всего, и то, и другое вместе. Как в этом случае.

Отсюда это обильное минусование любых комментариев под любой статьей. Злобные потому что, русские потому что.
09.03.26 12:56
23 3

Злобные потому что, русские потому что.
Злобные потому что русские, потому что злобные, потому что русские, потому что злобные.
09.03.26 13:10
2 10

Ага, оператор goto вещь опасная 😄
09.03.26 13:15
3 2

Физики шутют) Это всегда интересно!
09.03.26 10:02
1 1

Ух как стрелка метается
09.03.26 09:56
0 6

И шарики бежат.

Шарик бежат, пресс качат, анжуманя делат.
09.03.26 10:58
1 2

Купил классную кофемолку. Зёрна кофе в ней очень хорошо молятся.

Молотятся. Кофе же молотый выходит.
09.03.26 11:13
0 1

Молоткастый. И серпастый.
09.03.26 11:16
0 1

Ух как стрелка метается
"Уланский конь скакает в поле.."

Ракеток не видно. Не понятно как происходит отбитие "шарика"
09.03.26 09:45
0 8

Ракеток не видно. Не понятно как происходит отбитие "шарика"
просто неправильный осциллограф - не то, что ракеток, ни одной стрелки нет!!
09.03.26 09:53
0 5

просто неправильный осциллограф - не то, что ракеток, ни одной стрелки нет!!
Да, прямо осциллоскоп какой-то!!!
09.03.26 11:29
0 5

осциллоскоп
вот гад!
09.03.26 13:51
0 0

Ракеток не видно. Не понятно как происходит отбитие "шарика"
У нас были. К осциллографу какие-то провода через какой-то контроллер, конечное устройство - кнопка. Как отбил шарик, твоя ракетка пропадает, у другого загорается.
В продажу, насколько мне известно, не поступало. Для своих.
Разработка кафедры радиосистем радиотехнического факультета ЛЭТИ.
Уверен, что аналогичное было и в других институтах.
10.03.26 11:57
0 0
Теги
Сортировать по алфавиту или записям
BLM 22
Calella 151
exler.es 334
RIP 133
SNL 1
авто 513
видео 4684
вино 370
еда 558
ЕС 95
игры 123
ИИ 102
кино 1692
попы 210
СМИ 2992
софт 1002
США 299
ФБК 14
шоу 6